EnerClever UPS
Hybrid UPS System
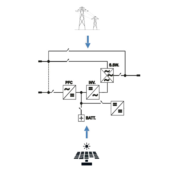
EnerClever UPS nasce per andare oltre la continuità elettrica: è un sistema ibrido intelligente che integra fonti di energia diverse — rete, fotovoltaico, batterie e generatore — per fornire sempre la potenza più efficiente, sicura e sostenibile.
Grazie alla tecnologia EnerClever, ogni UPS Powertronix può evolversi in un sistema attivo di gestione energetica, capace di ridurre o persino eliminare il consumo dalla rete.
È la soluzione ideale per chi cerca continuità, efficienza e autonomia energetica, in un’unica architettura compatta e completamente Made in Italy.